RJGBRektifikácia guľatá komplet s krytom
Výškovo nastaviteľná záslepka do rúrky s lemom, protišmyková Farba: čierna Materiál: Polymid 6 (PA 6)
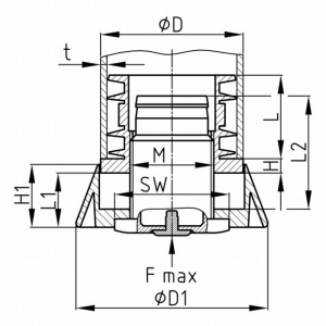
| D | D1 | F max. kg | H | H1 | L | L1 | L2 | M | SW | t | Objednávacie číslo | Objednať |
|---|---|---|---|---|---|---|---|---|---|---|---|---|
| D: 50(1 31/32``) | D1: 70 | F max. kg: ~300 | H: 5.5 | H1: 23.5 | L: 8-20 | L1: 29 | L2: 37 | M: M30 | SW: 41 | t: 1,5-2 | Objednávacie číslo: RJGB 50x1,5-2 /M30x30/8k | Objednať |